The model SG7220-Plus galvo scanner has the good running stability, high positioning accuracy, fast marking speed, strong anti-interference ability, the overall performance has reached the international leading level in this field. The advantages are as following:
■ Adopted the photoelectric sensors which imported from America, and owned the proprietary intellectual property rights.
■ Differential photoelectric sensor for accurately detecting of motor rotor position, it is with good linearity, lower drift, high resolution and repeat positioning.
■ Accurate load design for 10 mm mirrors, high accuracy of motor assembly, reasonable structure, very small static friction coefficient and zero offset, all ensured the best dynamic characteristics for the whole system.
■ Drives with advanced detection ability of position and speed, greatly improved the dynamic response performance and scanning speed of the whole system.
■ Design of overload, over-current and reverse connect protection, makes the system running more reliable.
■ The whole system adopted the optimization designing of electromagnetic compatibility, with high signal-to-noise ratio and strong anti-interference ability.
■ This scanner system solved the common problems of motor temperature drift, signal interference and zero drift, etc.
SG7220-Plus Technical Parameters
|
Speed |
||
|
Marking Speed(1) |
12000mm/s |
|
|
Positioning Speed(1) |
18000mm/s |
|
|
Writing Speed(2) |
600cps |
|
|
Step Response Time(1% of full scale) |
270μs |
|
|
Step Response Time(10% of full scale) |
710μs |
|
|
Tracking Error Time |
≤138μs |
|
|
Precision and Error |
||
|
Linearity |
99.9% |
|
|
Repeatability (RMS) |
<8μRad |
|
|
Gain Error |
<5mRad |
|
|
Zero Offset |
<5mRad |
|
|
Long-term Drift Over 8 Hours |
<0.15mRad |
|
|
Scale Drift |
<40PPM/℃ |
|
|
Zero Drift |
<15μRad/℃ |
|
|
Wavelength(3) |
10600nm/1064nm/355nm |
|
|
Lens Damage Threshold |
||
|
Si |
10J/cm^2 |
|
|
Power and Signal |
||
|
Input Voltage |
±15VDC |
|
|
Rated Current |
3A |
|
|
Interface Signal |
Digital |
XY2-100 |
|
Mechanical Scan Angle(4) |
±11° |
|
|
Working Current, Temperature, Dimension |
||
|
Working Temperature |
25℃±10℃ |
|
|
Storage Temperature |
-10℃--60℃ |
|
|
Aperture |
10mm |
|
|
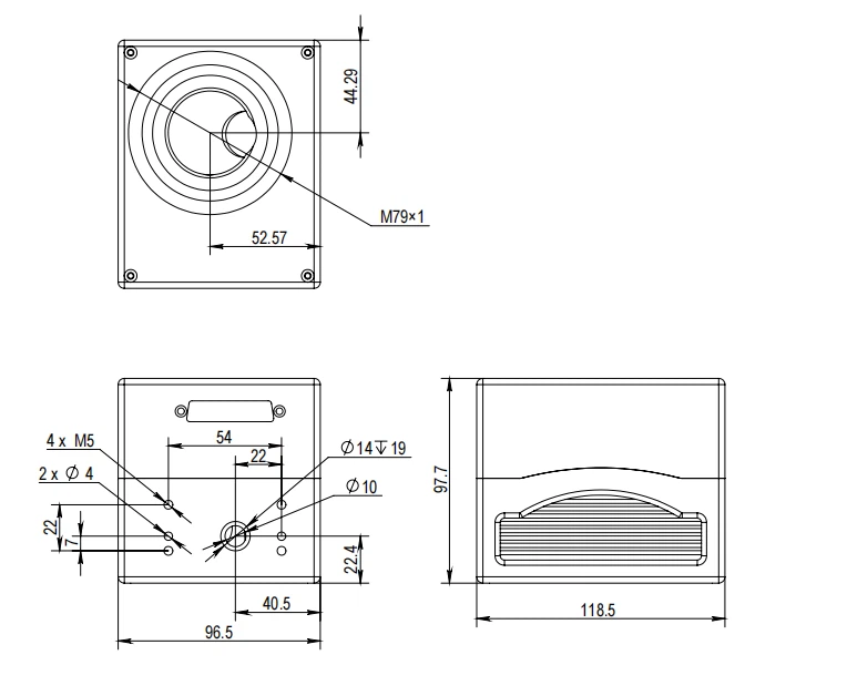
Galvanometer Scanner Dimension (L×W×H) |
118.5×96.5×97.7mm |
|
|
Galvanometer Scanner Weight |
≈1.95Kg |
|
Note: The above data are tested after 30 min warm-up
(1) With F-theta objective, F=160mm, marking 3.5mm height single character
(2) With F-theta objective, F=160mm, marking 1mm height single character per second
(3) Special wavelength coating film can be customized
(4) The standard mechanical scanning angle is ±11°. Any special requirement is available to be customized.
Housing Dimension Drawing

Applications

Hot Tags: sino galvo laser galvanometer scanner sg7220-plus, China, suppliers, manufacturers, customized, low price, application of








